Air Bearing | Drawing
External dimensions
AB-30RH

AB-50R AB-50RV

AB-50LRV

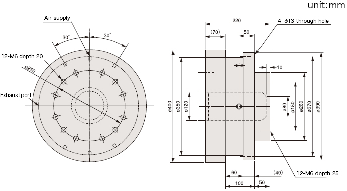
AB-30RH/50R/80R/100R/150RⅡ/200R/250RS/300R

| - | AB-30RH | AB-50R AB-50RV |
AB-80R AB-80RV |
AB-100R AB-100RV |
AB-150RⅡ | AB-200R AB-200RH |
AB-250RS | AB-300R |
|---|---|---|---|---|---|---|---|---|
| D1 | Φ4 | Φ15 | Φ20 | Φ30 | Φ50 | Φ70 | Φ82.55 | Φ150 |
| D2 | Φ30 | Φ55 | Φ80 | Φ105 | Φ155 | Φ195 | Φ247.6 | Φ300 |
| D3 | - | - | Φ84 | Φ110 | Φ160 | Φ200 | Φ255 | Φ305 |
| D4 | Φ45 | Φ75 | Φ110 | Φ140 | Φ200 | Φ240 | Φ300 | Φ350 |
| D5 | 38 | 67 | 96 | 125 | 180 | 220 | 275 | 325 |
| D6 | 24 | 45 | 60 | 75 | 120 | 150 | 190.5 | 250 |
| D7 | 2×3-M3 depth 5 |
2×3-M4 depth 8 |
2×3-M6 Spot facing 8 depth 24 |
2×3-M8 Spot facing 11 depth 38 |
2×3-M10 Spot facing 15 depth 47 |
2×3-M10 Spot facing 15 depth 61 |
2×6-M10 Spot facing 15 depth60 |
2×6-M10 Spot facing 15 depth 75 |
| D8 | 2×3-M3 depth 5 |
2×6-M3 depth 6 |
2×6-M4 depth 12 |
2×6-M5 depth 18 |
2×6-M6 depth 12 |
2×6-M6 depth 20 |
2×12-M8 depth 16 |
2×12-M8 depth 18 |
| D9 Air supply |
PISCO PC6-M5M |
PISCO PC6-M5M |
80R : junron PN-6×4-PT1/8-BS 80RV : PISCO PC6-M5M |
P100R : junron PN-6×4-PT1/8-BS 100RV : PISCO PC6-M5M |
Junron PN-6×4-PT1/8-BS |
Junron PN-6×4-PT1/8-BS |
SMC KQ2L06-01AS |
Junron PN-6×4-PT1/4-BS |
| opposite of D9 Vaccum port |
- | PISCO PC6-M5M |
SMC KQ2L06-01AS |
SMC KQ2L06-01AS |
- | - | - | - |
| D10 Vacuum hole |
- | Φ2.7 | Φ2.7 | Φ4.4 | - | - | - | - |
| L1 | 46 | 60/96 | 80 | 106 | 130 | 160 | 170 | 240 |
| L2 | 30 | 36/72 | 36 | 50 | 60 | 74 | 76 | 90 |
| L3 | 8 | 12 | 22 | 28 | 35 | 43 | 47 | 75 |
| L4 | - | - | 2.5 | 3 | 3 | 3 | 3.3 | 30 |
AB-400R

AB-600R
