U-4SR|仕様
基本仕様
| 適用範囲 | 屋外一般 |
|---|---|
| 搭載可能レンズ | CJ45e×9.7B、CJ45e×13.6B CJ25e×7.6B HJ40e×10B、HJ40e×14B |
| SDI出力 | 12G-SDI、HD-SDI |
| 使用条件 | 温度:-15~+40℃ 湿度:90%以下(結露無き事) |
| 耐風速 | 25m/s:正常動作、40m/s:動作可能、60m/s:非破壊 |
| 動作範囲 | パン360°、チルト±40° |
| 動作速度 | モード1:0.3~20°/sec モード2:0.3~10°/sec |
| 静止精度 | ±5´以下 |
| 電源 | AC 100V ±10% 2A |
| 外形寸法(幅×高さ×奥行) | 約505×705×696mm ※突起部除く (ヘッド+カメラハウジング) |
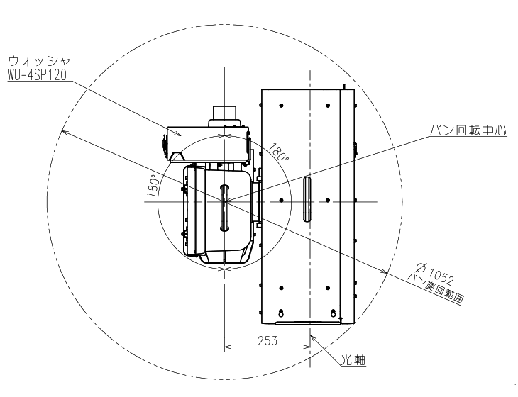
| パン旋回範囲 | Φ1052mm |
| チルト旋回時最大高さ | 851mm |
| 質量 | ヘッド:約28kg (防水ブーツ、防水ホース除く) ハウジング:約14kg (レンズ・カメラ除く、望遠用レンズサポート含む) |
外観図
側面

正面

側面・チルト旋回範囲

上部・パン旋回範囲
