オプション紹介|ハウジングネットワークカメラ
基本情報
| 製品名 | 屋外5インチドームハウジング A-ODW5T500
![]() |
|---|---|
| 製造メーカー | (株)エーエスシー製 |
| 型番 | A-ODW5T500 |
| 商品コード | 1527V246 |
| 希望小売価格(税別) | オープン |
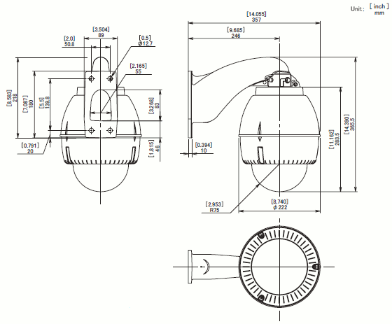
| 概要 | VB-C500DとACアダプターを収納可能な5インチサイズの屋外小型ドームハウジング。 スモークタイプ。クリアタイプの場合はA-ODW5C500。 |
仕様
| 外観 | 上部ドーム:銀色 下部ドーム:スモーク |
|---|---|
| 使用環境 | 温度-20℃~40℃ |
| 撮影範囲 | 水平350°、垂直15°~ 90° |
| 装備品 | ファン・ヒータキット |
| 消費電力 | AC100V、40W(ファン・ヒータ使用時) |
| 質量 | 約4.0kg(カメラは含まず) |
| 取付方法 | 壁面取付型。ポールへの取付にはA-BK3が必要です。 |
| 外観図・図面 | |
![]() |
|
| 対応機種(現行製品) | VB-C500D |

